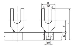
Non-Insulated Chain Terminals (CT) - Spades


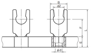
Non-Insulated Chain Terminals (CT) - Spades

Our non-insulated chain terminals are designed to work with pneumatic and electric crimping machines to automatically feed the next terminal into proper crimping position.

Spade terminals (also known as fork terminals) are often used in electrical systems to prevent wires from fraying. These terminals can be quickly installed and/or removed from hardware and are long-lasting. Nichifu offers a variety of styles, including locking and flanged spade terminals.

REQUEST QUOTE