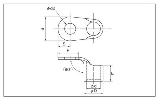
90 Degree Bent Terminals
MATERIAL: Oxygen free copper strip/tube (electro-tin-plating)
RATED CURRENT: See Amperage Rating Table for insulated wires
STANDARDS: UL 486A-4868 (File No. E44245), CSA C22.2 (File No. LR-28418), JIS C2805 and JIS C2806
RATED CURRENT: See Amperage Rating Table for insulated wires
STANDARDS: UL 486A-4868 (File No. E44245), CSA C22.2 (File No. LR-28418), JIS C2805 and JIS C2806