Home
About Nichifu
Catalog
Product Digest
New Products
Resources
Request for Quote
Contact Us
My Account
View RFQ
Non-Insulated
Terminals and Sleeves
Insulated Terminals
& Sleeves
Compression Terminals &
Clamp Connectors
Connectors
Chain Terminals &
Crimping Machines
Crimping Machines
and Tools
Cable Accessories
Home
∕
Compression Terminals and Clamp Connectors
∕
Compression Terminals
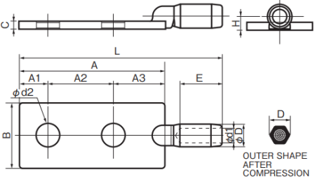
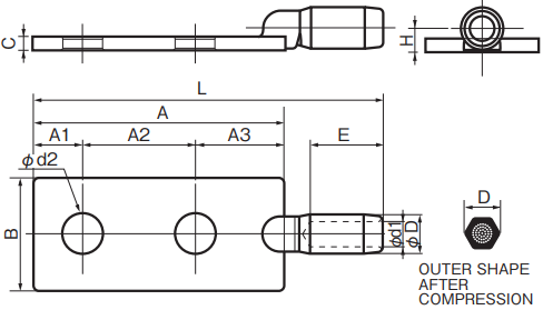
∕ C2-C Type
C2-C Type
Narrow Your Results By:
Narrow Your Results By
Narrow Your Results By
Compression Terminals &
Clamp Connectors
Clamp Connectors
Clamp Connectors
Clamp Connector Covers
Compression Terminals
C1 Type
C2 Type
C4 Type
C6 Type
C1-C Type
C2-C Type
C4-C Type
C6-C Type
Special Larger Size
Flexible Copper Braided Connectors
SA Type
SB Type
SC Type
SD Type
SE Type
Tubular Terminals
Single Hole, Type A
Double Hole, Type B
REQUEST QUOTE